环球国际环境科技
联系人:王经理
联系电话:13276363312
客服QQ:2934797297
公司邮箱:2934797297@qq.com
公司地址:山东省潍坊市高新区光电路155号光电产业加速器(一期)

联系人:王经理
联系电话:13276363312
客服QQ:2934797297
公司邮箱:2934797297@qq.com
公司地址:山东省潍坊市高新区光电路155号光电产业加速器(一期)

产品型号:TH-WQX8
产品品牌:云境环球国际
一、智慧路灯环境传感器产品简介
山东环球国际环境科技有限公司作为专业研发生产销售微型气象仪的企业,一直致力于微型气象仪和气象环境解决方案推广应用。具有完整的生产链、实力雄厚的技术团队和全面的营销团队,我们研发生产的超声波风速风向仪、五要素微气象仪、六要素微气象仪和小型自动气象站等气象产品,已广泛应用到气象监测、城市环境监测、风力发电、航海船舶、航空机场、桥梁隧道等领域,客户遍布全国各地,并取得了良好的社会效益和经济效益。
与传统的微型气象仪相比,我司产品克服了对高精度计时器的需求,避免了因传感器启动延时、解调电路延时、温度变化而造成的测量不准问题。
TH-WQX8型八要素微气象仪创新性地将气象标准参数(风速、风向、温度、湿度、气压、pm2.5、pm10、噪声)通过一个高集成度结构来实现,可实现户外气象参数24小时连续在线监测,通过数字量通讯接口将八项参数一次性输出给用户。产品结构紧凑,外形美观、大方、高度集成。
二、智慧路灯环境传感器产品特点
1、顶盖隐藏式超声波探头,避免雨雪堆积的干扰,避免自然风遮挡
2、原理为发射连续变频超声波信号,通过测量相对相位来检测风速风向
3、风速、风向、温度、湿度、气压、pm2.5、pm10、噪声八要素一体式
4、采用先进的传感技术,实时测量,无启动风速☆
5、抗干扰能力强,具有看门狗电路,自动复位功能,保证系统稳定运行
6、高集成度,无移动部件,零磨损
7、免维护,无需现场校准
8、采用ASA工程塑料室外应用常年不变色
9、产品设计输出信号标配为RS485通讯接口(MODBUS协议);可选配232、USB、以太网接口,支持数据实时读取☆
10、可选配无线传输模块,最小传输间隔1分钟
11、探头为卡扣式设计,解决了运输、安装过程松动不准的问题☆
三、智慧路灯环境传感器技术参数
1)风速:0~60m/s(±0.1m/s);
2)风向:0~360°(±1°);
3)空气温度:-40℃~85℃(±0.3℃);
4)空气湿度:0~100%RH(±3%RH);
5)大气压力:300hPa~1100hPa(±0.02hPa);
6)PM2.5:0-1000ug/m3(±15%)
7)PM10:0-1000ug/m3(±15%)
8)噪声:30~130dB(±1.5dB)
9)蓝牙(选配):可内置蓝牙模块,可连安卓手机;
10)有线传输:485转USB,可直连电脑;
11)生产企业具有ISO9001质量管理体系认证和计算机软件注册证书
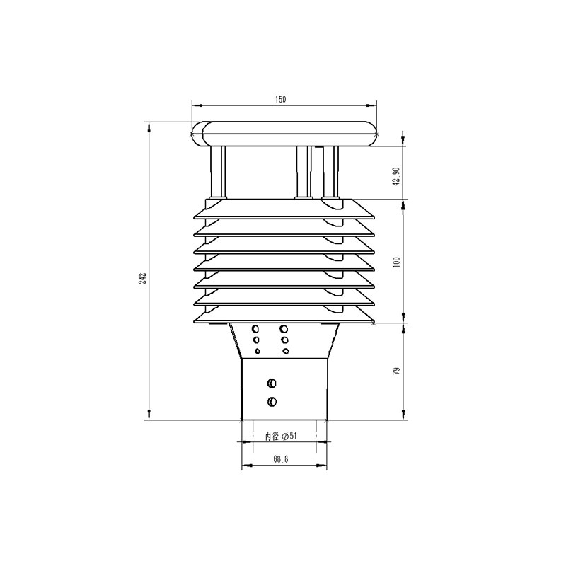
四、智慧路灯环境传感器产品尺寸图

五、智慧路灯环境传感器产品结构图

1、控制电路
2、指北箭头
3、超声波探头
4、百叶箱PM2.5、PM10
5、温度、湿度、噪声、气压监测位置
6、法兰转换头
※此产品可选配电子罗盘功能
六、智慧路灯环境传感器产品接线定义
定义 | 备注 | |
VCC | 电源正 | DC12V |
GND | 电源地 | |
485A | RS485A | |
485B | RS485B |
在化工、油库、矿井等高危场景中,防爆气象站的性能与合规性至关重要,专业厂家才能提供适配方案。环球国际环境(云境环球国际)作为防爆气象站源头厂家,针对高危场景研发的TH-FB02型防爆气象站,凭借一体化设计、高防护性能与合规资质,成为企业安全监测优选,彰显其技术与服务实力。
光伏行业中,太阳能板表面完好但内部可能存在细小裂纹,此类隐患会导致发电效率下降甚至设备报废,便携式 EL 检测仪可针对性解决这一问题。无论是光伏电站现场运维、仓库设备验收,还是新板质量检测,均需该设备排查太阳能板内部隐藏缺陷,避免因肉眼无法识别的问题造成损失。
在道路交通安全管理中,及时掌握沿线气象状况十分关键。集成式交通气象监测仪专为交通场景设计,通常安装在道路沿线的关键位置,可实时监测影响行车安全的各类气象因素,为交通管理部门提供全面的气象信息,作为制定交通管控和养护措施的基础依据。管理人员能通过相关系统查看监测数据和设备运行状态,满足对道路气象状况的实时掌控需求。
水文环境的稳定是水资源安全和社会发展的基础,实时掌握水文变化是做好水资源管理的前提。北斗水文环境监测站结合北斗技术,专注于水文参数的监测,为水文管理和灾害防治提供有力数据支撑。
北斗超声波气象站是一款融合北斗卫星通信技术与超声波监测原理的智能化气象观测设备。它借助北斗短报文通信功能,突破了传统气象站对地面网络的依赖,即便在无信号或弱信号地区,也能实现气象数据的实时传输与共享,为气象监测提供了全地域、全天候的技术支持。
GNSS 监测设备借助全球导航卫星系统(如北斗、GPS 等),能够实现对监测点的高精度定位,广泛应用于地质灾害预警、工程建设监测、交通设施维护等领域。它通过接收多颗卫星的信号,计算出监测点的三维坐标,再通过对比不同时间段的坐标数据,得出监测对象的位移变化情况。